|
Mode d'emploi pour les presses de gravure du série JPVE, et JWE de Polymetaal (JPVE-70, JPVE-80, JPVE-90 et JWE-80, JWE-100, JWE-120),
presses électriques avec vitesse fixe.
Emballage La presse est fixée sur une pallet en bois et emballée dans du papier et du plastique. Enlevez ce matériel et les clous et vis avec lequelles la presse est fixée sur la palette. Soulevez la presse un petit peu pour permettre d'enlever la palette. Les deux tiges rondes d'acier sont assez forts pour pouvoir porter le poids de la presse. Faites attention pendant ce manoeuvre pour éviter des risques. Les deux cylindres sont emballés dans du papier et du scotch pour protection. Enlevez l'emballage prudement et aussi la graisse à l'aide d'un solvant et du papier de cuisine. Les cylindres doivent être propres et secs avant utilisation.
Il est possible que la prise du cordon électrique no corresponds pas avec la situation locale. Il y a encore beaucoup des systèmes differantes. Un électricien local peut adapter le cordon électrique. L'interrupteur de sécurité (forme champgignon) peut être fixé sur le sol à un endroit logique d'un point de vue pour faire fonctioner la presse. Un autre endroit est aussi possible s'il est plus logique pour utiliser la presse.
Montage et demontage des presses.
Il est possible de faire le montage et le démontage de cettes presses vous mêmes. Plus loin dans cette text vous trouverez des instructions. Probablement la presse est toute montée maintenant. Il est toujours à recommander de contrôler les guides plateau et les roulettes à plastiques qui se trouvent sur les bar metalliques en dessous du plateau. Pour ce raison vous trouvez ici un image avec toutes les détails.
Les guides plateaux peuvent être déplacés à côtés pour changer le jeu entre le guide et le plateau. Ce jeu doit être environ 1 a 2mm. (Jeu "A"). Les guide se fixent avec des boulons hex. M8. La position des roulettes en plastique sur les bars métalliquent est réglable verticallement. Le Jeu "B" est obligatoire (environ 2 a 5mm) pour être sûr que la plateau se pose toujours complètement sur le cylindre inférieur. Cet effet réduit le risque de glissage du plateau.
C'est assez difficile de faire le montage et démontage des presses électriques vous même. Les systèmes électrique et méchanique sont plus compliqués que les versions manuels. Si vous avez assez d'experience vous pouvez l'essayer. Commence à lire les instructions pour le montage et démontage des presses dans le série JPV ou instructions pour le montage et démontage des presses dans le série JW et ajoutez des components électriques. En cas de doubt avec des components électriques, lisez des chéma's électrique sur ces pages.
Instructions d'utilisation de la presse
Il faut pour la presse une alimentation à 220 Volt. Les modifications dans le système électrique uniquement à réalizer par un électricien professionel.
Le mettre en marche de la presse: 1. Branchez le cordon électrique. 2. Mettez l'interrupteur principal dans le position vertical (en marche) 3. Obligatoirement: il y a maintenant deux petites lumières sur les cellules photo-électriques. (jaune et rouge). Le premier couleur indique que la faisceau de lumière infra-rouge est activé, et l'autre lumière montre que la lumière a été reflexionnée par le reflecteur à l'autre côté de la presse et reçu dans la cellule. Les cellules se trouvent aux deux côtés du cylindre supérieur et sur le côté de l'entraînement. Si les deux petites lampes dans les cellules ne fonctionnent pas, il y a un problème "d'alignement". On change un petit peu la position des cellules jusqu'à les lampes commencent à fontionner. Cet "alignement" est important, et il est possible que'il ait été dérangé à cause du transport, ou pendant le montage. La position des cellules est variable verticalement pour adapter au type du travail qu'on fait avec la presse. Pour le tirage des planches en bois, plus épaisses, on peut soulever des cellules de 1 ou 2 centimètres. Si le rayon de lumière infra rouge est interrompu par quelque chose, la presse arrête automatiquement. 4. Poussez le bouton "start/reset" pendant 2 secondes. La lampe orange doit être allumée continuellement. 5. Testez les boutons pour "gauche", "stop" (bouton rouge), et "droite". Le plateau se bouge dans la direction voulu.
Arrêt de la presse:
Cette machine a deux circuits pour arrêter: A. Un "circuit d'arrêt d'urgence"; avec des components suivantes: 1. le bouton en forme de champignon, à placer dans un endroit approprié. 2. les cellules photo-électriques. Ce circuit s'utilise seulement en cas d'urgence.
B. Le circuit "start/stop" fonctionel". Dans se circuit on utilize seulement les boutons "gauche" et "droite". Il se strouvent deux interrupteurs dessous le plateau, pour l'arrêter au bout du traject.
Systèmes de sécurité; voir aussi "arrêter la machine". Il est très important qu'il y a seulement une personne qui travaille à la presse à un certain moment. Toutes les autres doivent se tenir à distance. L'operateur de la presse est obligé de rester près de la consôle pendant le mouvement du plateau.
Fusibles: Il y a deux fusibles en ceramique 6x32mm dans le côté du consôle, dessous l'interrupteur principal. Le fusible gauche est le fusible principal de 16 Amp. Le fusible de droite est le fusible du circuit de contrôle de 6,3 Amp.
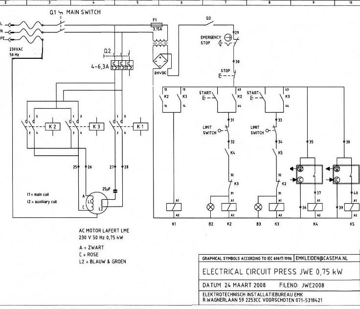
Dessins & Liste de components Deux dessins du système électrique qui composent: 1. Circuit électrique série-JPVE et JWE.
3. Components électriques série JPVE et JWE
|
Quantité |
Description |
Fabriquant |
No. modèle |
|
1 |
Armoire mélalique |
Taunus |
EE244 |
|
1 |
Interrupteur principal |
Bremas |
CQ0160003KN6 |
|
1 |
Transformateur de sécurité |
EREA |
E224 SC160 |
|
2 |
Interrupteurs magnétiques |
Omron |
MY4 24VDC |
|
2 |
Base d'interrupteur |
Omron |
PYC-PZ |
|
2 |
Cellules Photo-électriques |
Telemecanique |
XU1-B18PP340 |
|
2 |
Adapteurs de fixation |
Telemecanique |
XUB-Z01 |
|
20 mtr. |
Cable divers |
Alcatel |
RWPK/RMrL |
|
5 mtr. |
Fil de montage |
Draka |
VDS 1,5/1mm2 |
|
30 |
Contacteurs |
Weidmuller |
SAK 2,5 |
|
60 |
Gaines isolés |
Weidmuller |
Div. |
|
0,5 mtr. |
DIN-rail |
Weidmuller |
|
|
20 |
Gaines isolés |
AMP |
div. |
|
2 |
Portes fusubles |
Weber |
6 x 30mm |
|
2 |
Interrupteurs |
Telemecanique |
XCK-M121 |
|
1 |
Moteur électrique |
1-phase AMM80Z CA4 0,75 kW 230 Volt 1500 rpm B14a |
Normes et Standards
Le fabricant de ce materièl; Polymetaal Boîte postale 694 2300 AR Leiden Les Pays-Bas declare que; - les produits construits sont conforme aux Normes Européennes IEC 335-1 "Safety of household and similar electrical appliances" - les produits construits correspondant aux règles des normes de CE (Guides Machines et Guides Compatibilité Magnétique) - les produits ont un label "CE"
Utilisation de la presse La presse peut être utilisée pour les tirages en creux (cuivre ou zinc) et en relief (bois ou linoleum). Schema d'impression taille-douce (en creux).
La fonction du feutre est de presser le papier dans les creux (creé par l'acide ou burin) jusqu'à l'encre, pour que le papier puisse "boire" l'encre. Certaines personnes utilisent une épaisseur de carton ou de cuir sous les vis de pression pour avoir plus de souplesse d'utilisation. Pour les tirages en creux ça n'a pas d'effet, mais pour les tirages en relief cela sera utile. Une planche ou lino n'est jamais complètement plane, c'est pourqoui le transmission de l'encre au papier n'est jamais partout le même. Si le cylindre supérieur a cette "souplesse", cela permet de suivre (un peu) les irrégularitées sur la surface de la planche ou lino.
Schema d'impression en relief (linoléum et bois)
Dans ce schéma on utilise aussi la lange, mais avec une autre fonction que dans l'impression taille-douce. La fonction de la lange est comparable aux épaisseurs du carton ou du cuire. Aussi pour compensation des irrégularitées dans le bois ou lino. La lange n'est pas indispensable à condition que la surface du bois ou lino soit parfaitement plane. (Ce qui n'est quasiment jamais le cas). En dessous de la lange vous trouvez une planche de PVC de 5mm d'épaisseur. Si le PVC n'était pas là, la lange pousserait le papier complètement dans les creux . (Le relief dans la planche de bois ou de lino serait complètement copié dans le papier ="gaufrage").
Entretien
- Les roulements à billes sont autolubrifiants.
- La boîte de démultiplication est normallement rempli avec de l'huile. Ce n'est jamais nécessaire de renouveller de l'huile. (les boîtes sont prévu pour fonctioner dans les conditions industrièls 24/24h.
- Le système électrique n'a pas besoin d'entretien. (Seulement le réglage, de temps en temps, des senseurs photo-électroniques et le nettoyage du réflecteur)
- Il est prefèrable d'utiliser la presse dans une pièce chaufféé pour éviter tous risques de rouille sur les cylindres. Aussi l'utilisation d'acide pour la gravure se fait dans une autre pièce. Les vapeurs d'acide sont très corrosives et attaquent l'acier pas protégé.
|